Republic offers a complete line of centrifugal blowers for vacuum or compressed air applications. Centrifugal blowers provide dry, clean, oil-free air and require low energy consumption. Unlike compressed air systems, this series is safe to run at low pressure, and allows for increased production speeds or levels.
The RB1200HC is the most versatile of the centrifugal blower series. The blower comes with ceramic hybrid bearings, rotatable outlet discharge, easy to remove stainless steel bearing housing assembly, and zinc plated steel motor pulley.
The RB1200HC is the most versatile of the centrifugal blower series. The blower comes with ceramic hybrid bearings, rotatable outlet discharge, easy to remove stainless steel bearing housing assembly, and zinc plated steel motor pulley.
Unit of Measure
Specifications
Model |
N/A RB1200HC |
Frequency |
N/A 50 Hz60 Hz |
Power |
N/A 15 hp |
Motor Frame Size |
N/A 254TC |
Maximum Flow at 50 Hertz (Hz) Frequency |
N/A 1225 ft³/min2081 m³/h |
Maximum Flow at 60 Hertz (Hz) Frequency |
N/A 1200 ft³/min2039 m³/h |
Maximum Vacuum at 50 Hertz (Hz) Frequency |
N/A 95 in. H2O237 mbar |
Maximum Vacuum at 60 Hertz (Hz) Frequency |
N/A 95 in. H2O237 mbar |
Maximum Pressure at 50 Hertz (Hz) Frequency |
N/A 112 in. H2O280 mbar |
Maximum Pressure at 60 Hertz (Hz) Frequency |
N/A 112 in. H2O280 mbar |
Sound Level with Enclosure |
N/A 82 dB |
Sound Level without Enclosure |
N/A 96 dB |
Weight |
N/A 245 lb111 kg |
Retro Kit Weight |
N/A 79 lb36 kg |
Warranty |
N/A 1 year |
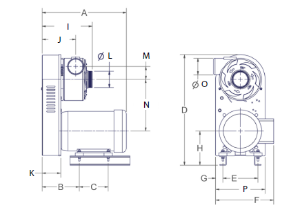
Dimensions
Dimension A |
N/A 24.50 in622 mm |
Dimension B |
N/A 9.50 in241 mm |
Dimension C |
N/A 8.25 in210 mm |
Dimension D |
N/A 27.75 in705 mm |
Dimension E |
N/A 8.50 in216 mm |
Dimension F |
N/A 16.00 in408 mm |
Dimension G |
N/A 1.00 in25 mm |
Dimension H |
N/A 9.25 in235 mm |
Dimension I |
N/A 12.00 in308 mm |
Dimension J |
N/A 8.00 in206 mm |
Dimension K |
N/A 4.50 in114 mm |
Dimension L |
N/A 3.96 in101 mm |
Dimension M |
N/A 3.00 in79 mm |
Dimension N |
N/A 12.50 in318 mm |
Dimension O |
N/A 4.00 in102 mm |
Dimension P |
N/A 12.00 in305 mm |
